發布時間:2014-08-07 新聞來源:http://www.aenet.cn/ 瀏覽次數:157 責任編輯:艾培爾編輯

型號: PT型
艾培爾PT型安全型工字滑車產品特點:
1.應用于直型或者彎曲軌道
2.內置保險防護裝置
3.軋制鋼板完整結構
4.可調寬度適用于各種規格的軌寬和工字缸
5.可沿著軌道的任何位置安裝或移除
6.通過簡單調節小鋼套的數量滿足不同規格工字缸寬度的要求
7.滑輪通用于各種形狀的橫梁
8.高質量密封滾珠軸承
9.獨立的編碼、ABLE、WLL銘牌
10.標準:EN13157
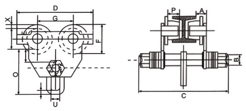
艾培爾PT型安全型工字滑車結構圖:

艾培爾PT型安全型工字滑車參數:
